Projektierung
Wir helfen Ihnen Ihre Ideen zu realisieren.
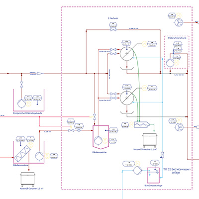
Von der Projektierung bis zur Inbetriebnahme erhalten Sie von uns Leistungen aus einer Hand. Wir bieten Ihnen herstellerunabhängige Lösungen die Ihren Anforderungen entsprechen.




Wir helfen Ihnen Ihre Ideen zu realisieren.
Von der Projektierung bis zur Inbetriebnahme erhalten Sie von uns Leistungen aus einer Hand. Wir bieten Ihnen herstellerunabhängige Lösungen die Ihren Anforderungen entsprechen.



